For å sikre optimal rensing og god kvalitet på drikkevannet går vannet gjennom tre rensetrinn og to desinfiseringstrinn i Vansjø Vannverk.
En skjematisk oversikt over hele renseprosessen på Vansjø Vannverk finner du her.
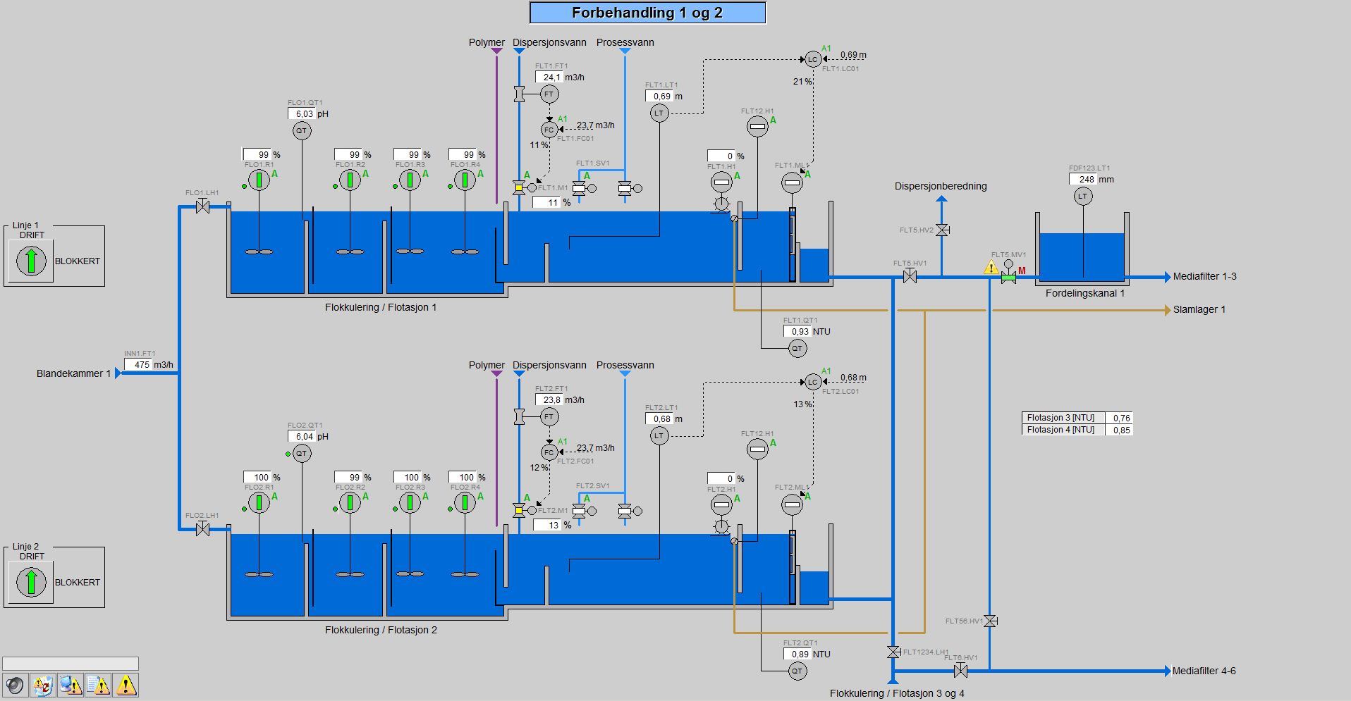
Under følger en beskrivelse av de ulike rensetrinnene på Vansjø Vannverk.
I forbehandlingen benyttes flotasjonsprinsippet som går ut på å få partikler i vannet opp til overflaten. Dette gjøres ved å frigjøre trykkluft i vann slik at man får små luftbobler som stiger mot overflaten. På vei opp drar disse luftboblene med seg partiklene. Partiklene blir skrapt av i toppen av bassengene og går til videre slambehandling. I forbehandlingen fjernes organisk stoff, partikler og farge.
Etter forbehandlingen går vannet til filtrering i 6 parallelle mediefiltre. Denne filtreringen har til hensikt å fange opp små partikler som ikke fjernes i forbehandlingen. Mediefilterene består av tre ulike lag. I bunnen ligger det et lag med pukk. I midten har vi et lag med sand og på toppen ligger det et lecamatriale. Vannet ledes inn i toppen av filterene og renner ned gjennom dem før det ledes videre. Mediefilterene må med jevne mellomrom rengjøres for oppsamlede partikler ved tilbakespyling.
Etter mediefiltrering går vannet via UV-anlegget og videre til ytterligere filtrering i 6 parallelle kullfiltre. Kullfiltreringen absorberer kjemiske stoffer og hovedhensikten er å redusere uønsket lukt og smak fra vannet. I tillegg får man også fjernet små partikler som har sluppet i gjennom mediefiltreringen. Over tid mister kullet i filtrene evnen til å absorbere kjemiske stoffer og det må da byttes ut med regenerert kull. Kullfiltrene må også med jevne mellomrom rengjøres for oppsamlede partikler ved tilbakespyling.
Sist oppdatert 28. november 2014, kl 15:10
Opprettet 27. mai 2014, kl 13:45
« Tilbake




